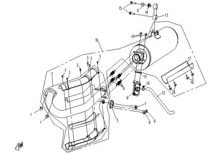
MUFFLER
If you are unable to find the corresponding parts for the catalog, please contact us.
| Image/No | Product | Price |
|---|---|---|
| 04 |
Muffler Spring
|
|
| 14 |
Rubber Cushion, Muffler
|



WeChat
QQ