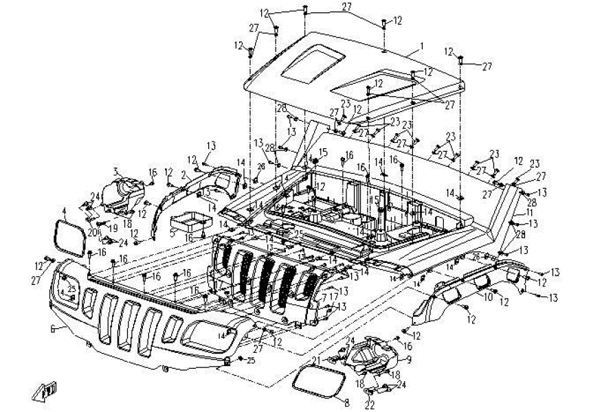
PLASTICS-1
If you are unable to find the corresponding parts for the catalog, please contact us.
| Image/No | Product | Price |
|---|---|---|
| 15 |
Front License Plate Bracket Rubber
|


WeChat
QQ