TRANSMISSION SYSTEM
Vehicle Axle Fault Diagnosis Guide
If any of the following phenomena occur, the front or rear axle assembly may be faulty and require immediate inspection and repair.
Fault Phenomena
①
Vehicle operates unsteadily during acceleration, deceleration, or constant speed driving
②
Abnormal noises from front or rear axle areas
③
Engine power not transmitted to front or rear wheels
Fault Causes
A Bearing damage
B Excessive or insufficient gear clearance
C Severe gear wear
D Gear tooth breakage
E Drive shaft damage
F Insufficient or no lubricating oil
G Foreign objects in front/rear axle housing
Note: Fault causes A, B, and C are relatively difficult to diagnose. Carefully analyze based on specific fault phenomena. If engine faults are excluded, disassembly and inspection may be necessary.
Observation and Judgment
1. Pay Attention to Any Abnormal Noises
A Fluctuating abnormal noises during acceleration and deceleration
These noises are unrelated to engine operation and may be related to wheel bearing damage.
B Continuous abnormal noises during acceleration and deceleration
May be related to improper gear clearance adjustment during assembly.
Note: Improper adjustment and installation of front/rear axles will accelerate gear wear or tooth breakage.
C Obvious slight abnormal noises during low-speed driving
These noises may not be noticeable during high-speed driving and may be related to gear tooth breakage.
Warning: If any of the above abnormalities are detected during vehicle operation, immediately stop and inspect. Only continue use after troubleshooting, otherwise it may lead to vehicle and personal accidents.
If you are unable to find the corresponding parts for the catalog, please contact us.
| Image/No | Product | Price |
|---|---|---|
| 04 |
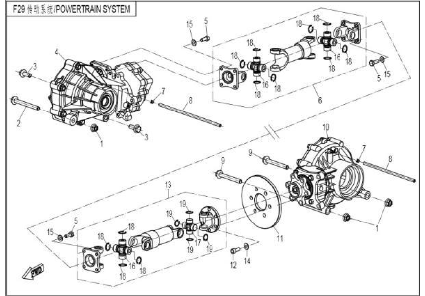
QDS0 Front Axle
|
|
| 06 |
Front Drive Shaft
|
|
| 08 |
Breather Hose, Front Gear Case
|
|
| 11 |
Rear Brake Disc
|
|
| 16 |
Universal Joint 25x64
|
|
| 17 |
Universal Joint 22x50
|
|
| 18 |
Hole Circlip A-D25 for Universal Joint 25x64
|
|
| 19 |
Hole Circlip for Universal Joint 22x50
|









WeChat
QQ